Hotline: 098 785 4488

Kalmar
Socket for 14-pin Relays
Type: Relay Socket S9-M
– Rated load: 10 A / 250 V
– Nominal screw torque: 0.7 Nm
– Mounting: TS-35 or Back panel mounting
– Screw dimensions: M3 Pozi slot
– Storage temp.: -40…+80°C
– Operation temp.: -40…+60°C

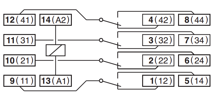
CONNECTION DIAGRAM:

DIMENSIONS (mm):

⇒ Thông tin chi tiết, vui lòng liên hệ số điện thoại hotline 0987854488 hoặc email info@vietport.vn để được hỗ trợ.
Hình ảnh mã loại hàng hóa, sản phẩm được đề cập trên website chỉ mang tính chất tham khảo. Tất cả các thương hiệu, nhãn hiệu thuộc quyền sở hữu và bản quyền của các nhà sản xuất tương ứng.
Mọi thông tin chi tiết, vui lòng liên hệ tổng đài: 028 6280 5177 hoặc
Hotline: 0903 822 369